Page 117 - haacon industriehebetechnik
P. 117
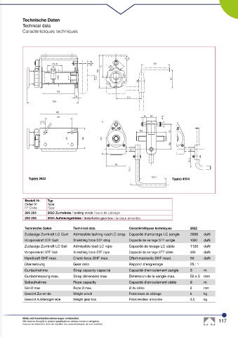
Technische Daten
Technical data
Caractéristiques techniques
Typ(e) 2622 Typ(e) 4504
Bestell-Nr. Typ
Order N° Type
N° Code Type
200 254 2622 Zurrwinde / lashing winch / tours de câblage
200 255 4504 Aufsteckgetriebe / detachable gear box / tendeur amovible
Technische Daten Technical data Caractéristiques techniques 2622
Zulässige Zurrkraft LC Gurt Admissible lashing load LC strap Capacité d‘amarrage LC sangle 2000 daN
Vorspannkraft STF Gurt Stretching force STF strap Capacité de serrage STF sangle 1000 daN
Zulässige Zurrkraft LC Seil Admissible load LC rope Capacité de levage LC câble 1120 daN
Vorspannkraft STF Seil Stretching force STF rope Capacité de serrage STF câble 560 daN
Handkraft SHF max. Crank force SHF max. Effort manivelle SHF maxi. 50 daN
Übersetzung Gear ratio Rapport d‘engrenage 25 : 1
Gurtaufnahme Strap capacity capacité Capacité d’enroulement sangle 3 m
Gurtabmessung max. Strap dimension max Dimension de la sangle max. 50 x 5 mm
Seilaufnahme Rope capacity Capacité d’enroulement câble 9 m
Seil-Ø max Rope Ø max. Ø du câble 8 mm
Gewicht Zurrwinde Weight winch Poids tours de câblage 6 kg
Gewicht Aufsteckgetriebe Weight gear box Poids tendeur amovible 3,5 kg
Maße und Konstruktionsänderungen vorbehalten.
We reserve the right to amend specifications without notice or obligation. 117
haacon se réserve le droit de modifier les caractéristiques de son matériel.

