Page 73 - haacon nutzfahrzeugtechnik
P. 73
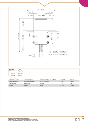
Best.-Nr. Typ
O/N° / N° Code Type / Type
200 151 2081.2,5
200 152 2081.5
Technische Daten Technical data Caractéristiques techniques 2081.2,5 2081.5
Zulässiges Moment Admissible torque Torque admissible 25 Nm 50 Nm
Übersetzung Gear ratio Rapport 1 : 1 1,6 : 1
Gewicht Weight Poids 0,7 kg 1,5 kg
Maße und Konstruktionsänderungen vorbehalten. 73
We reserve the right to amend specifications without notice or obligation.
haacon se réserve le droit de modifier les caractéristiques de son matériel.

